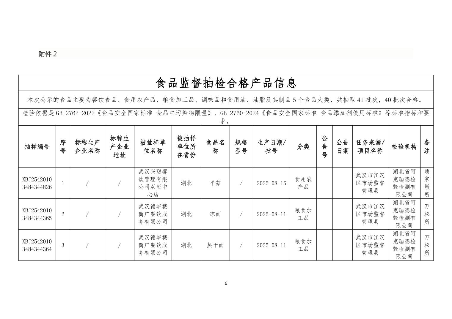
| 文 号 | 食品安全监督抽检信息公告(2025年第四十七期) | 发文日期 | 2025-09-24 15:14 |
|---|---|---|---|
| 发布机构 | 江汉区市场监督管理局 | 有 效 性 | 有效 |
| 标 题 | 江汉区市场监督管理局食品安全监督抽检信息公告(2025年第四十七期) | ||
收藏本站|关于我们|联系我们|网站地图
主办单位:武汉市江汉区人民政府 地址:武汉市新华路255号 网站技术维护电话:027-85481989
政府网站标识码:4201030005 鄂ICP备05016495号-1
鄂公网安备 42010302000667号
鄂公网安备 42010302000667号













